How to make a simple light sensor Circuit Diagram This musical light alarm circuit is very simple, uses only 7 components, a LDR and a 3.6 V battery or 3 x 1.2 volts rechargeable batteries. The well-known UM66 is used as the sound generator and will give a pleasent wake up alarm. As you probably know the LDR is a light dependent resistor. Below you can see how I connected this circuit on a breadboard: How The Circuit Works. This circuit is very similar to the Automatic Night-Light Circuit. But while the night-light turns on the transistor when it gets dark, this circuit turns on the transistor when it gets light. The photoresistor and the resistor make up a voltage divider. In this video I use a photodiode as the input to an alarm. The circuit remembers if visible light is incident on it, and sets off an alarm to indicate that.

This simple photosensitive alarm activates a buzzer when light shines directly on the connected LDR. The system should be placed on the window at night so that when the light appears in the morning, it will activate the buzzer to alarm. The alarm makes use of a buzzer which is powered by a 9V battery. Read through to understand more. Components: Enough current now flows through the circuit to trigger the gate of the SCR. Once the gate of the SCR is triggered, current now flows across from its anode to cathode and turns on the buzzer. Once triggered, the SCR stays on, just like an alarm, stimulating an alarm circuit. And this is how this light alarm circuit works.

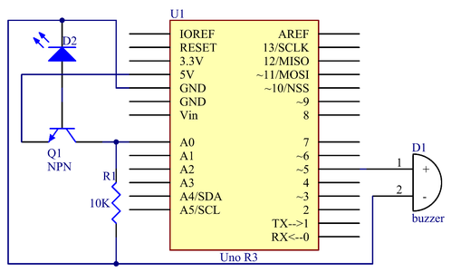
Sensitive Alarm System using Arduino Circuit Diagram
The LED-resistor pair is there to add a light indication in addition to the sound from the buzzer. If you want to keep the circuit simple, feel free to skip it. Typical Photodiode Circuits. Photodiodes can be used in a variety of ways, but the most commonly used circuits are the two below that use operational amplifiers (op-amps).

In this video, we'll show you how to create a light-sensitive alarm system using Arduino. This simple yet effective DIY security project will help you detect In this Instructables, you will know how to make a Light sensitive alarm. It will be able to detect different amounts of light and then play a song to your choosing. Materials needed:-1 Arduino Uno or any other Arduino-1 LDR (light dependent resistor).-1 buzzer or speakers-1 project box-breadboard and wires This is where you get to control the sensitivity of your light detector. For higher sensitivity, adjust trimmer as exact as possible to the point where the LED turns off. To decrease sensitivity, turn a little ways more after the LED has turned off. CAUTION: Ensure that the LDR is not obstructed from the light source while you perform this step. 4.

Electronics 19 : How to Make a Light Sensitive Detector (Alarm) Circuit Diagram
The light-dependent resistor module has four pins: 3.3V : While 'VCC' stands for Voltage Common Collector, we'll connect the VCC pin to 3.3V on the micro:bit GND: In electronics, we define a point in a circuit to be a kind of zero volts or 0V reference point, on which to base all other voltage measurements. This point is called ground or GND.